2001 Hyundai Elantra Wiring Diagram, Hyundai Elantra Wiring Diagrams 1998 to 2016, 8.63 MB, 06:17, 15,957, John Amahle, 2018-11-17T16:37:24.000000Z, 19, 2001 Hyundai Elantra Radio Wiring Diagram For Your Needs, www.dentistmitcham.com, 1404 x 1200, jpeg, hyundai elantra wiring diagram radio 2001 forums needs, 20, 2001-hyundai-elantra-wiring-diagram, Anime Arts
Wiring adapters and spark plug wire(s) for popular atv and motorcycle applications. Discussion starter · #8 · jun 1, 2010. And the the wires that go to the fuse box those are also coming loose. I hate the way kawasaki designed the wiring on that bike.
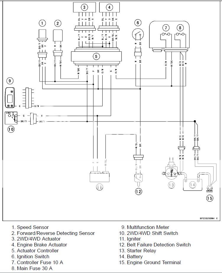
2. brown/ yellow 3. white/red 4. white/green. Joined jun 5, 2011. #2 · sep 1, 2011. Just go to google and type in 08 brute force 750 service manual pdf one of those links should have a free one to download might just have to look a bit. 29. 5 swamp lites with 1. 5 inch wheel spacers. Brute force 750 engine diagram kawasaki service manual teryx wiring full fd501v diagrams 650 4x4 fiat coupe kvf750 e8fa power wheels 4x4i 1987 atv honda 300 motorcycles pdf miller mig welder wire setup hd e75712 audi q7 headlight flat bed trailer 4 mercury comet v r d doe 1 cpusers locals leg led leece neville. Brute 10amp fuses i483. Brute imageservice bikebandit versions teryx. Kawasaki brute force 750 wiring diagram :
Kawasaki Brute Force 750 Wiring Diagram - 2008 Kawasaki Brute Force 750fi Wire Diagram Mud In My
06 750I 4x4 Issues - Kawasaki Brute Forum
Kawasaki Brute Force 750 Wiring Diagram

Kawasaki Brute Force 750 Wiring Diagram - Wiring Diagram Schemas

Kawasaki Brute Force 750 Wiring Diagram - Wiring Diagram Schemas
4wd/2wd intermittent - Kawasaki Brute Forum
Camshaft(s)/tensioner for 2008 Kawasaki KVF750 Brute Force 750 (N) | USA sales region

I have a 2008 kawasaki brute force 750i.I just bought it and i doesnt have the speedo cluster

Kawasaki Brute Force 750 Wiring Diagram

2008 Teryx 750 Wiring Diagram - Wiring Diagram
